

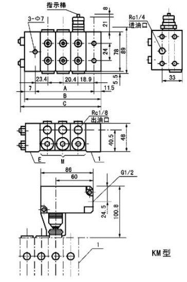
一、概述
KM系列单线递进式分配器,适用于润滑点密集、耗脂量不同,给油频繁单线集中润滑系统中,
组成子母式分配系统实现分区控制进行润滑的场合。它由中碳合金结构钢制造的供给体、端部
体和3~8片根据设计需要所确定的给油量和出油口数的中间体组合而。成分配器的正常出口设
置于分配器的两侧面,在上面还设置有预备出口,各中间体的出油口内均装有止回阀,能彻底
防止因润滑点背压作用而产生润滑脂的逆流,保证了各出油口的给油量定量、准确。
二、技术参数


分配器安装使用环境温度< - 10℃、 >+ 80℃的必须在订货合同中注明,以便供货 时使用耐低、高温油封。
三、订货示例说明
例: 需要出口数为10的KM分配器:
KM-10
有关
在线留言
