卡套式直角管接头
UPDATED:2023/10/07
卡套式直角管接头
一.   概述

本标准规定了卡套式直角管接头,适用于油、气及一般腐蚀性介质的管路系统。

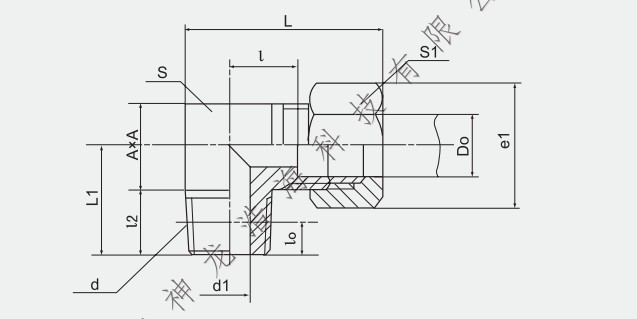
二.   外形及参数

微信截图_20250113143024.png

微信截图_20250113143103.png

三、订货示例说明

:  管子外径D0为8mm、螺纹直径d为R3/8的卡套式直角管接头:

GJT-A8ZJ-R3/8  



PRE:THE LAST ONE
NEXT:THE LAST ONE

有关

在线留言

在线留言