卡套式直角三通管接头(点三通)
UPDATED:2023/10/07
卡套式直角三通管接头(点三通)

一、概述

本标准规定了卡套式直角三通管接头,适用于油、气及一般腐蚀性介质的管路系统。一般用于润滑点上的,连接油管的同时,

备用了接上油嘴的接口,在润滑系统发生故障时,可及时通过油嘴手动润滑。

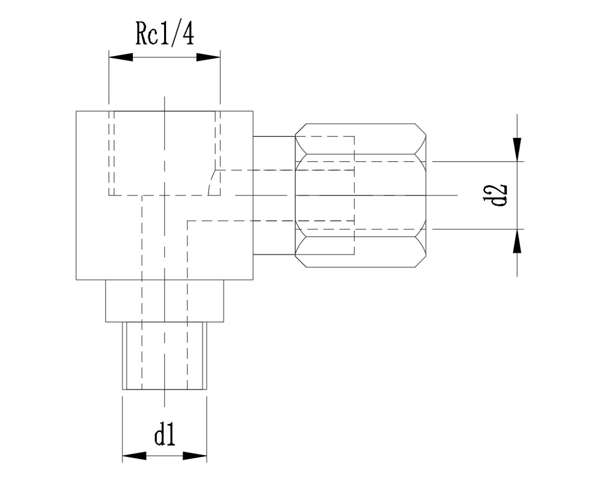
二、外形及参数

微信截图_20250110161518.png


d1:   R1/4   /   M10*1  /M14*1.5  

d2:  Φ10  /  Φ8

三、订货示例说明

 例: 与之连接的油管为Φ8的管路,润滑点的螺纹规格是Rc1/4

直角三通管接头  GJT-A8-R1/4

PRE:THE LAST ONE
NEXT:THE LAST ONE

有关

在线留言

在线留言