卡套式直通管接头
UPDATED:2023/10/07
卡套式直通管接头

一、概述

本标准规定了卡套式直通管接头,适用于油、气及一般腐蚀性介质的管路系统。

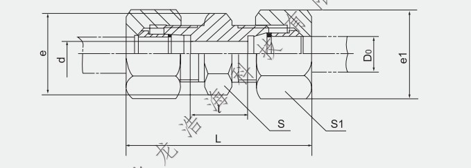
一、外形及规格

微信截图_20250113142617.png

微信截图_20250113142805.png

三、订货示例说明

:  管子外径D0为8mm的卡套式直通管接头:

卡套式直通管接头Φ10    GJT-A10


PRE:THE LAST ONE
NEXT:THE LAST ONE

有关

在线留言

在线留言