焊接式端直通接头
UPDATED:2023/10/07
焊接式端直通接头


一、概述

适用于以油为介质的管路系统用焊接式管接头。公称压力为40MPa,工作温度为-25~+80℃。

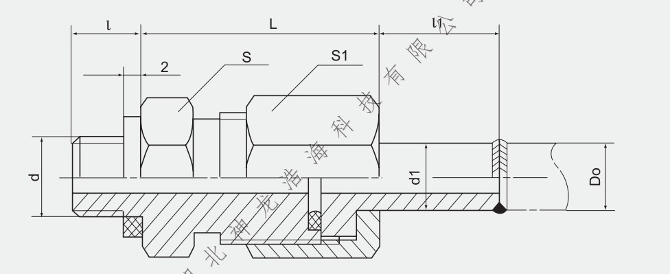
二、外形尺寸及规格

微信截图_20250113143712.png

微信截图_20250113143802.png

三、订货示例说明

例:  管子外径D018mm、螺纹直径d为G3/8的焊接式端直通管接头:

焊接式端直通管接头GJT-B18-G3/8   


PRE:THE LAST ONE
NEXT:THE LAST ONE

有关

在线留言

在线留言